
Hydrostatic Pressure Sensor -for Printing and Dyeing Machine-Water Level.
SI-126 Hydrostatic Pressure Sensor adopts stainless steel structure and has a waterproof and breathable design. It uses a high-stability and high-reliability silicon piezoresistive pressure sensor as a signal measurement element, and has been tested for wide temperature range performance through automatic testing and laser resistance adjustment technology. compensate. Widely used in process control, petroleum, chemical industry, metallurgy and hydrology and other industries.
Features of SI-126 Hydrostatic Pressure Sensor
- High precision, stainless steel structure, various pressure ports, protection class IP65
- Reverse polarity protection and instantaneous overcurrent overvoltage protection
- Wide measuring range, can measure gauge pressure, absolute pressure and sealed gauge pressure
- Zero and full scale adjustable
- Strong anti-interference, good long-term stability
Hydrostatic Pressure Sensor Specifications
| Measuring medium: | Various liquids, gases and vapors compatible with 304, 316L stainless steel |
| Range: | -100kPa~0~2kPa…2MPa (gauge pressure); 0~20kPa…7MPa (absolute pressure) |
| overload: | 1.5 times full scale pressure |
| Pressure type: | Gauge or absolute or sealed gauge |
| Accuracy: | ±0.25%FS; ±0.5%FS |
| Long-term stability: | ±0.1%FS/year; ±0.2%FS/year |
| Zero temperature coefficient: | ±0.03%FS/°C (reference 25°C) |
| Full scale temperature coefficient: | ±0.03%FS/°C (reference 25°C) |
| Compensation temperature: | 0~70°C (≤35kPa); -10~80°C (>35kPa) |
| Operating temperature: | -30~85℃ |
| Storage temperature: | -40~120℃ |
| Power supply: | 24VDC (10~30V) |
| Output signal: | 4~20mADC |
| Output method: | Two-wire system |
| Load Resistance: | ≤(U-10)/0.02Ω |
| Insulation resistance: | 100MΩ, 500VDC |
| Shell protection: | IP65 |
| Vibration: | 20g (20~5000Hz) |
| Electrical connections: | φ6.0mm special shielded cable 1.5 meters |
Structure Material:
Shell: stainless steel 1Cr18Ni9Ti or 316L
Diaphragm: stainless steel 316L, etc.
O-ring: Nitrile or Viton
Order Guide
| SI-126 | Pressure Sensor | ||
| Code | Measure Range | ||
| (0~X)KPa | -100kPa~0~2kPa…2MPa (gauge pressure); 0~20kPa…7MPa (absolute pressure) | ||
| Code | Output Signal | ||
| B1 | 4-20mA | ||
| Code | Thread Size | ||
| P1 | M20*1.5 | ||
| P4 | G1/2 | ||
| Code | Electrical connections | ||
| C2 | cable output | ||
| Code | Structure Material | ||
| Diaphragm | Interface | Shell | |
| M1 | 316L | 316L | Stainless steel |
| M2 | 316L | 316L | 316L |
| M3 | Tantalum | Hastelloy | 316L |
| M4 | Titanium | Titanium | 316L |
| Code | Additional functions | ||
| G | Gauge pressure (default) | ||
| A | absolute pressure | ||
| S | Sealed gauge pressure | ||
| v | Viton O-ring | ||
| j | Nitrile O-ring | ||
| Example:SI-126 (0~10)kPa B1 P4 C2 M1 Gv | |||
When selecting a model, please note that the measured medium should be compatible with the part of the product that is in contact with the medium.Cable wires are available in Nitrile and Polyethylene. Nitrile has good versatility, oil resistance and wear resistance; polyethylene has good toughness and excellent electrical insulation and stability. Unless otherwise specified, it is shipped as a nitrile cable.The standard cable length is 1.5 meters.
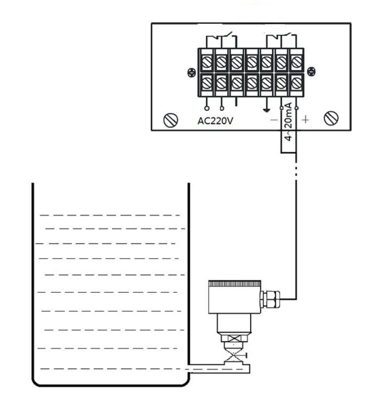
Hydrostatic Pressure Sensor to Measure the Liquid Level
Pressure transmitters are currently widely used in papermaking, steel, chemical, sewage treatment, heat, electricity, tap water, food and other industries. In addition to measuring the pressure of the medium, the pressure transmitter can also be used for other purposes, such as using the gravity of the liquid to measure the liquid level.
Hydrostatic Pressure Sensor is used to measure the pressure of pipeline or tank medium. It can also be used to measure liquid level.
Please note that the Hydrostatic Pressure Sensor can measure the liquid level of open containers. Airtight pressurized containers will not work.


As shown above.
The first is to mount the SI-126 Hydrostatic Pressure Sensor above the tank. Make sure the sensor is 15cm above the liquid level.
The second is to install the SI-126 Hydrostatic Pressure Sensor at the bottom of the tank. Install the upper needle shut-off valve.
Hydrostatic Pressure Sensor Liquid Level Measurement Principle
Measuring principle with Hydrostatic pressure:
In a static liquid: The static pressure at a point in the liquid is proportional to the distance from that point to the liquid surface. Namely: P=ρgh.
in,
P-the pressure (pressure) of the measured point,
ρ-medium density,
g-acceleration of gravity,
h – the height from the measured point to the liquid surface.
Sino-Inst is a manufacturer of Hydrostatic Pressure Sensor. We supply more than 50 types of pressure sensors.
Pressure sensor is the most commonly used sensor in industrial practice, and it is widely used in various industrial automatic control environments. It involves water conservancy and hydropower, railway transportation, intelligent building, production automation, aerospace, military industry, petrochemical, oil well, electric power, ship, machine tool, pipeline and many other industries.
Hydrostatic Pressure Sensor all stainless steel design. Waterproof and breathable design, can measure gauge pressure, absolute pressure and sealed gauge pressure.
Sino-Inst has provided pressure measurement solutions to customers for many years. Has a rich set of pressure measurements for static pressure. Our pressure sensor, made in China. Widely exported to the United States, Britain, Germany, South Africa, Norway and other countries.
If you need Hydrostatic Pressure Sensor, but have technical questions, please feel free to contact our sales engineers.
SI-126 Hydrostatic Pressure Sensor -for Printing and Dyeing Machine-Water Level

Hydrostatic Pressure Sensor -for Printing and Dyeing Machine-Water Level.
Product SKU: SI-126 Hydrostatic Pressure Sensor
Product Brand: Sino-Inst
Product Currency: USD
Product Price: 280
Price Valid Until: 2029-09-09
Product In-Stock: InStock
5