
CL1-203 Micro Torque Sensor is a dynamic torque measurement sensor. Conventional torque measurement ranges are 0-0.5Nm, 0-1Nm, 0-2Nm, 0-3Nm, 0-5Nm, and 0-10Nm. This series of dynamic torque sensors is small in size. Easy to install. Very suitable for torque measurement applications in small spaces.
Features
- The resistance strain gauge is an integrated product consisting of a sensitive element and an integrated circuit;
- High precision, stable and reliable performance;
- Output forward and reverse torque signals;
- One end is a D-type shaft and the other end is a D-type hole;
- Easy to connect with a screwdriver (electric screwdriver);
- The speed can reach 1800RPM;
CL1-203 Micro Torque Sensor Technical Parameters
| Range | 0.5,1,2,3,5,10Nm |
| Output | 1.0-1.5mV/V |
| Accuracy | ±0.2%F.S. |
| Zero temperature effect | ±0.03%F.S. |
| Full scale temperature effect | ±0.03%F.S. |
| Compensated temperature range | -10~60℃ |
| Operating temperature range | -20~75℃ |
| Supply voltage | 5-10VDC |
| Input resistance | 350±20Ω |
| Output resistance | 350±10Ω |
| Response frequency | 1mS |
| Insulation resistance | ≥2000MΩ/100VDC |
| Safety overload | 150%F.S |
| Limit overload | 200%F.S. |
| Cable size | Φ2×3m |
| Material | Shaft material 17-4PH stainless steel, housing is aluminum |
| Electrical connection | Red/E+, black/E-, green/S+, white/S- |
| Speed | Normal 1800RPM |
| Special shaft length | Customizable |
Dimensions

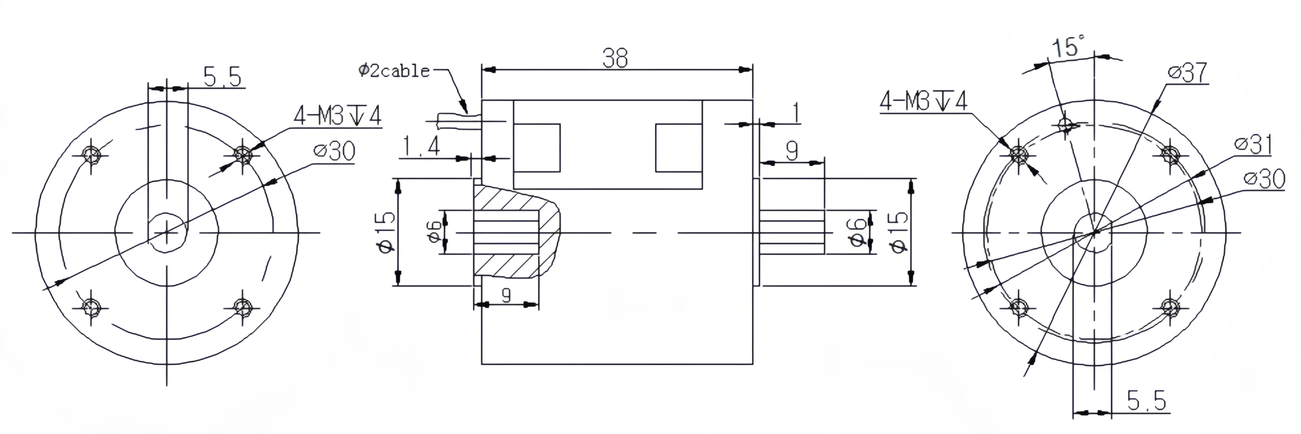
CL1-203A Torque Sensor
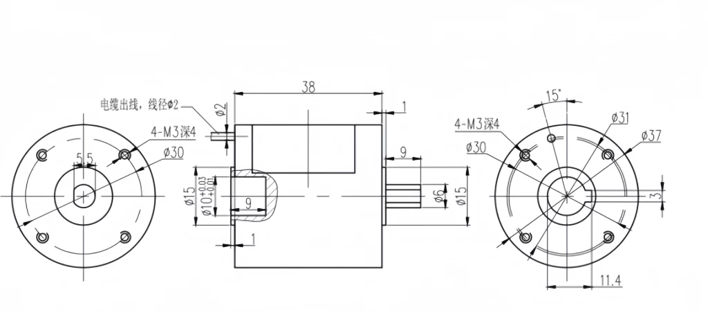
CL1-203B Torque Sensor
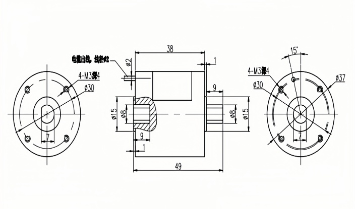
CL1-203C Torque Sensor
Applications
CL1-203 Micro Torque Sensor has a wide range of applications, mainly used for:
- Detection of output torque of rotating power equipment such as motors, engines, internal combustion engines;
- Detection of torque of fans, water pumps, gearboxes, and torque wrenches;
- Detection of torque in railway locomotives, automobiles, tractors, airplanes, ships, and mining machinery;
- Detection of torque in sewage treatment systems;
- Can be used to manufacture viscometers;
- Can be used in process industries and process industries.
More Torque Sensors and Solutions
Micro Torque Sensor is small in size and flexible in installation. When you choose a torque sensor, you need to consider the quality of the product and the performance of the sensor product.
Sino-Inst provides bulk or customized Micro Torque Sensors. If you need to purchase or have related technical questions, please feel free to contact us!
CL1-203 Micro Torque Sensor - Sino-Inst

CL1-203 Micro Torque Sensor is a dynamic torque measurement sensor. Conventional torque measurement ranges are 0-0.5Nm, 0-1Nm, 0-2Nm, 0-3Nm, 0-5Nm, and 0-10Nm. This series of dynamic torque sensors is small in size. Easy to install. Very suitable for torque measurement applications in small spaces.
Product SKU: CL1-203 Micro Torque Sensor
Product Brand: Sino-Inst
Product Currency: USD
Price Valid Until: 2029-09-09
Product In-Stock: InStock
5


















