Dual-Flange DP Slurry Density Meter

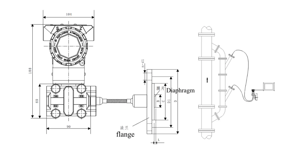
The Dual-Flange DP Slurry Density Meter is specifically designed for the concentration and density detection of solid-liquid suspensions. Utilizing a precision differential pressure meter with dual-flange isolation diaphragms and capillary tubes, it avoids media or gas retention and direct fluid impact on the diaphragm, overcoming the influence of liquid flow rate and air bubbles on the measurement. It offers accurate and stable detection, safe and reliable operation, easy maintenance, and is radiation-free. A matching secondary instrument box for local density display is also included.
Features
Technical Parameters
| Measuring range: | 0-3g/cm³ |
| Explosion-proof type: | Explosion-proof, intrinsically safe |
| Allowable temperature: | -10~300℃ |
| Working voltage: | 12~45VDC |
| Electrical interface: | 1/2NPT or M20X1.5 |
| Output: | 4~20mA (two-wire system) |
| Communications: | Hart Protocol |
| Installation method: | Flange installation |

DP Slurry Density Meter Applications
DP Slurry Density Meter is suitable for concentration and density detection of suspensions such as mixed medium, dilute medium, coal slime water, tail coal slime water, etc. Widely used in:
- Petroleum industry
- Chemical industry
- Food and beverage industry
- Battery and electrolyte industry
- Pharmaceutical industry
Heavy media cyclone:
Density online detection is an important prerequisite for realizing density control of the cyclone feed, which can improve the working efficiency of the cyclone and improve the classification effect. Reduce the risk of abnormal phenomena such as blockage, rough running or idling. The processing efficiency and quality of heavy media coal preparation are ensured. Through the comprehensive deployment of the on-site DCS system, the mixing density is stabilized and the coal input amount is adjusted, which plays an important role in the optimization of the coal preparation system.

Flotation feed:
Slurry water density is an important process parameter in the flotation process. By controlling the flotation feed concentration, the concentration range is at the optimal concentration. It can effectively improve the flotation recovery rate and reduce the consumption of chemicals, water and electricity. Improve the quality of clean coal and reduce the amount of tailing coal.
Tail coal slurry water concentration:
Online detection of underflow concentration completely solves the need for frequent sampling and testing in the concentration system, enabling real-time monitoring of the concentration effect. This avoids abnormal phenomena such as high and low discharge concentration. Through the DCS system combined with the dosing and discharging system, the concentration and dehydration efficiency of the concentration tank can be improved. Reduce the risk of rake pressure, blockage, etc., due to excessive concentration.
More Slurry Density Meters
Density measurement of sludges and suspensions is important. If the solids content is too high, friction within the pipe and stress on the pump will increase dramatically. On the other hand, if there is too much water, more energy and water will be needed to achieve the target transport volume.
Muds and other mining suspensions, in particular, are often highly abrasive, corrosive and viscous. Many measurement methods are unable to reliably measure concentrations under these conditions or cannot withstand operating economically for a long enough period of time.
Sino-Inst provides density measurement solutions for this application, including DP density meters, Coriolis density meters, tuning fork density meters, etc. Concentration, density and solids content of slurries and suspensions can be measured continuously. Welcome to contact our sales engineers at any time!

Zhang Wei, possesses 20 years of experience as an automation instrumentation engineer, specializing in the research, design, installation, commissioning, and maintenance of automation instruments.
Face to various instrument communication protocols (such as Modbus, Profibus, etc.), with solid hardware circuit design and software programming skills (proficient in C language and PLC programming). Has extensive project experience; projects he has led and participated in have all achieved outstanding results, improving product accuracy, reducing costs, and increasing production efficiency.
Possesses excellent communication and coordination skills and a strong team spirit, enabling him to quickly respond to customer needs and provide high-quality automation instrumentation solutions.
Dual-Flange DP Slurry Density Meter - Sino-Inst
The Dual-Flange DP Slurry Density Meter is specifically designed for the concentration and density detection of solid-liquid suspensions. Utilizing a precision differential pressure meter with dual-flange isolation diaphragms and capillary tubes, it avoids media or gas retention and direct fluid impact on the diaphragm, overcoming the influence of liquid flow rate and air bubbles on the measurement. It offers accurate and stable detection, safe and reliable operation, easy maintenance, and is radiation-free. A matching secondary instrument box for local density display is also included.
Product SKU: Dual-Flange DP Slurry Density Meter
Product Brand: Sino-Inst
Product In-Stock: InStock
5



